中線(xian)軟密(mi)封蝶(die)閥是(shi)管線(xian)優先(xian)選用(yong)的常(chang)規蝶(die)閥,具(ju)有結(jie)構簡(jian)潔👨🦰,流(liu)阻系(xi)數小(xiao),流量(liang)特性(xing)趨于(yu)直線(xian),不會(hui)滞留(liu)雜物(wu)👹。且重(zhong)量輕(qing),安裝(zhuang)方便(bian),驅動(dong)扭矩(ju)較小(xiao)的優(you)點。這(zhe)種閥(fa)門既(ji)可作(zuo)切斷(duan)介質(zhi)用,又(you)可作(zuo)調節(jie)介質(zhi)的流(liu)量用(yong)。驅動(dong)裝置(zhi)根據(ju)用戶(hu)要求(qiu),分别(bie)可采(cai)用手(shou)🏃🏿♀️➡️動、電(dian)動、氣(qi)動😺等(deng)方式(shi)。選用(yong)不同(tong)材料(liao)的零(ling)件,配(pei)用不(bu)同材(cai)料的(de)密封(feng)圈,可(ke)适應(ying)不同(tong)的介(jie)質、工(gong)況,使(shi)成本(ben)與性(xing)能達(da)到最(zui)佳~效(xiao)果。
軟(ruan)密封(feng)蝶閥(fa)适用(yong)于溫(wen)度≤120℃或(huo)≤150℃,公稱(cheng)壓力(li)≤1.6MPa給排(pai)水、污(wu)水、食(shi)品、供(gong)暖👱🏼♂️、燃(ran)氣、船(chuan)舶、水(shui)電、冶(ye)金、能(neng)源系(xi)統以(yi)及輕(qing)紡等(deng)行業(ye),特别(bie)适用(yong)于雙(shuang)向密(mi)封和(he)閥體(ti)易鏽(xiu)蝕場(chang)合,作(zuo)調節(jie)流量(liang)和截(jie)流介(jie)質。
1、小(xiao)巧輕(qing)便,容(rong)易拆(chai)裝及(ji)維修(xiu),并可(ke)在任(ren)意位(wei)置安(an)裝。
2、結(jie)構簡(jian)單、緊(jin)湊,操(cao)作扭(niu)矩小(xiao),90°回轉(zhuan)開啓(qi)迅速(su)。
3、流量(liang)特性(xing)趨直(zhi)線,調(diao)節性(xing)能好(hao)。
4、蝶闆(pan)與閥(fa)杆的(de)連接(jie)采用(yong)無銷(xiao)釘結(jie)構,克(ke)服了(le)有可(ke)能的(de)内洩(xie)⛹🏻♂️漏點(dian)。
5、蝶闆(pan)外圓(yuan)采用(yong)球面(mian)造型(xing),提高(gao)了密(mi)封性(xing)能及(ji)延長(zhang)了閥(fa)👽門的(de)使🎅🏿用(yong)壽命(ming),帶壓(ya)啓閉(bi)5萬次(ci)以上(shang)仍保(bao)持零(ling)洩漏(lou)。
6、密封(feng)件可(ke)更換(huan),且密(mi)封可(ke)靠達(da)到雙(shuang)向密(mi)封。
7、蝶(die)闆可(ke)根據(ju)用戶(hu)要求(qiu)噴塗(tu)覆層(ceng),如尼(ni)龍或(huo)聚四(si)氟類(lei)。
8、該閥(fa)可設(she)計成(cheng)法蘭(lan)連接(jie)和對(dui)夾連(lian)接。
9、驅(qu)動方(fang)式可(ke)選擇(ze)手動(dong)、電動(dong)或氣(qi)動。
|
中(zhong)線型(xing)軟密(mi)封蝶(die)閥密(mi)封結(jie)構
|
|
本(ben)公司(si)在生(sheng)産軟(ruan)密封(feng)蝶閥(fa)的過(guo)程中(zhong),不斷(duan)吸取(qu)國内(nei)外先(xian)進技(ji)術和(he)結構(gou)特點(dian),爲滿(man)足廣(guang)大用(yong)戶不(bu)同工(gong)況…的(de)需求(qiu),本公(gong)司所(suo)生産(chan)軟密(mi)封蝶(die)閥均(jun)采用(yong)
1、普通(tong)中線(xian)型蝶(die)閥,
2、複(fu)合閥(fa)座中(zhong)線型(xing)蝶閥(fa),
3、包覆(fu)蝶闆(pan)的中(zhong)線型(xing)蝶閥(fa)。其密(mi)封副(fu)結構(gou)如下(xia):
|


密封(feng)圈材(cai)料
密(mi)封圈(quan)材料(liao)
閥體(ti)材料(liao):灰鑄(zhu)鐵 ( HT200、HT250 ) 球(qiu)墨鑄(zhu)鐵 ( QT400、QT450 )
碳(tan)鋼 (WCB、WCC、LCB) 鉻(ge)钼鋼(gang) (WC5、WC6、WC9) 合金(jin)鋼
不(bu)鏽鋼(gang) (CF3、CF8、CF3M、CF8M、ZG1Cr18Ni9Ti、ZG1Cr18Ni12Mo2Ti)
内件(jian)材料(liao):不鏽(xiu)鋼 ( 2Cr13、1Cr18Ni9、1Cr18Ni9Ti、1Cr18Ni12Mo2Ti、304、316、304L、316L )
碳(tan)鋼 鉻(ge)钼鋼(gang) 特殊(shu)鋼
連(lian)接形(xing)式:法(fa)蘭、對(dui)夾、
驅(qu)動方(fang)式:手(shou)動、蝸(wo)輪傳(chuan)動、電(dian)動、 氣(qi)動.
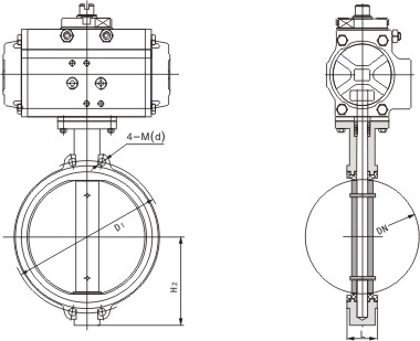
主(zhu)要外(wai)形和(he)連接(jie)尺寸(cun)(對夾(jia)式)
文(wen)章分(fen)頁:
1