|
|
|
|
🧑🏽🎄精品欧美无人区乱码毛片😝南京(jing)騰州(zhou)閥門(men)有限(xian)公司(si)
陳建(jian)州 經(jing)理 工(gong)程師(shi)
地址(zhi):南京(jing)市秦(qin)淮區(qu)升州(zhou)路385号(hao)
郵編(bian):210036
電話(hua):025—
手機(ji):
|
|
|
産品(pin)展示(shi)
|
當前(qian)位置(zhi): 首頁(ye)
->過濾(lü)器系(xi)列
|
|
|
Y型(xing)過濾(lü)器1
|
|
發(fa)表時(shi)間:2011-5-26 文(wen)字 〖 大(da)
中
小(xiao)
〗 閱讀(du)次數(shu):6504 [關閉(bi)窗口(kou)]
|
|
|
|
|
産品(pin)規範(fan)
|
設計(ji)規範(fan)
|
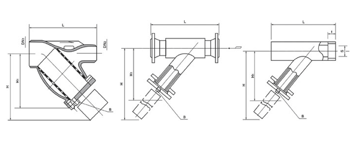
結構(gou)長度(du)
|
連接(jie)法蘭(lan)
|
試驗(yan)-檢驗(yan)
|
産品(pin)标識(shi)
|
供貨(huo)規範(fan)
|
|
HG/T21637
|
GB/T21637
|
JB/T79
|
JB/T9092
|
GB/T12220
|
JB/T7928
|
|
型号(hao)
|
連接(jie)方式(shi)
|
公稱(cheng)壓力(li)PN
(MPa)
|
耐壓(ya)試驗(yan)壓力(li)
(MPa)
|
工作(zuo)壓力(li)
(MPa)
|
殼體(ti)材料(liao)
|
過濾(lü)網材(cai)料
|
網(wang)眼總(zong)面積(ji)
|
|
SY4P-10
|
法蘭(lan)Flange
|
1.0
|
1.1
|
1.0
|
灰鑄(zhu)鐵
|
不(bu)鏽鋼(gang)
|
3-4DN
|
|
SY4P-16
|
法蘭(lan)Flange
|
1.6
|
1.76
|
1.6
|
球墨(mo)鑄鐵(tie)
|
|
SY4P-16
|
法蘭(lan)Flange
|
2.5
|
2.75
|
2.5
|
碳鋼(gang)
|
|
零件(jian)名稱(cheng)
|
零部(bu)件材(cai)料
|
|
閥(fa)體、閥(fa)蓋
|
25
|
WCB
|
CF8
|
CF8M
|
CF3
|
CF3M
|
|
網(wang)架
|
25
|
35
|
1Cr18Ni9TI
|
1Cr18Ni12Mo2Ti
|
00Cr18Ni10
|
00Cr17Ni42Mo2
|
|
濾(lü)網
|
1Cr18Ni9TI
|
1Cr18Ni9TI
|
00Cr18Ni10
|
|
墊(nian)片
|
18-8柔(rou)性石(shi)墨 18-8、Flexble Craphite
|
|
螺(luo)栓
|
35
|
1Cr17Ni2
|
1Cr18Ni9TI
|
|
适(shi)用溫(wen)度
|
-29-+425°C
|
-40-+200°C
|
-40-+200°C
|
|
适(shi)用介(jie)質
|
水(shui)、油品(pin)、蒸汽(qi)
|
硝酸(suan)類
|
醋(cu)酸類(lei)
|
|
NPS
|
DN
|
NPT
|
L
|
H
|
H1
|
B
|
有效(xiao)過濾(lü)面積(ji)
|
WT(kg)
|
|
in
|
mm
|
|
SY11C-H10 SY11C-H16 SY11C-H25
|
|
3/4
|
15
|
1/2m
|
100
|
74
|
99
|
ZG3/8m
|
0.00185
|
0.78
|
|
1/2
|
20
|
3/4m
|
110
|
88
|
127
|
ZG1/2m
|
0.00281
|
1.10
|
|
1
|
25
|
1m
|
130
|
103
|
150
|
ZG1/2m
|
0.00343
|
1.43
|
|
1 1/4
|
32
|
1 1/4m
|
160
|
110
|
163
|
ZG1/2m
|
0.00486
|
2.11
|
|
1 1/2
|
40
|
1 1/2m
|
180
|
132
|
203
|
ZG1/2m
|
0.00767
|
3.07
|
|
2
|
50
|
2m
|
200
|
163
|
243
|
ZG1/2m
|
0.01160
|
3.91
|
|
公稱(cheng)通徑(jing)DN
|
L
|
H
|
H1
|
B
|
有效(xiao)過濾(lü)面積(ji)
|
WT(kg)
|
|
SY14C
|
SY14S
|
|
PN1.0
|
PN2.5
|
PN4.0
|
PN1.0
|
PN2.5
|
PN4.0
|
|
SY11C-H10 SY11C-H16 SY11C-H25 SY14C-H40 SY14S-H10 SY14S-H16 SY14S-H25 SY14S-H40
|
|
15
|
100
|
87
|
120
|
ZG3/8m
|
0.00185
|
2.62
|
2.74
|
2.81
|
2.80
|
2.85
|
2.85
|
|
20
|
130
|
105
|
148
|
ZG1/2m
|
0.00281
|
3.00
|
3.06
|
3.06
|
3.05
|
3.11
|
3.11
|
|
25
|
150
|
114
|
176
|
ZG1/2m
|
0.00343
|
3.70
|
3.78
|
3.98
|
3.80
|
3.84
|
3.84
|
|
32
|
160
|
124
|
193
|
ZG1/2m
|
0.00486
|
5.35
|
5.46
|
5.46
|
5.43
|
5.54
|
5.54
|
|
40
|
200
|
156
|
237
|
ZG1/2m
|
0.00767
|
6.54
|
6.60
|
7.01
|
6.62
|
6.72
|
6.72
|
|
50
|
220
|
181
|
270
|
ZG1/2m
|
0.01160
|
9.21
|
9.46
|
9.97
|
10.9
|
11.1
|
11.1
|
|
65
|
290
|
250
|
369
|
ZG3/4m
|
0.02111
|
20.2
|
21.6
|
22.7
|
22.4
|
23.9
|
24.1
|
|
80
|
310
|
280
|
429
|
ZG3/4m
|
0.03029
|
23.4
|
25.1
|
27.4
|
26.6
|
27.7
|
28.5
|
|
100
|
350
|
320
|
488
|
ZG3/4m
|
0.04033
|
31.2
|
34.2
|
38.3
|
34.6
|
37.1
|
38.5
|
|
125
|
400
|
374
|
547
|
ZG3/4m
|
0.05589
|
44.1
|
49.1
|
56.9
|
50.5
|
54.6
|
57.8
|
|
150
|
480
|
430
|
622
|
ZG3/4m
|
0.07709
|
54.5
|
61.3
|
72.0
|
63.9
|
70.7
|
74.2
|
|
200
|
550
|
515
|
741
|
ZG3/4m
|
0.11967
|
81.0
|
93.3
|
127.7
|
85.3
|
97.0
|
120.5
|
|
NPS
|
DN
|
L
|
H
|
H1
|
B
|
有效(xiao)過濾(lü)面積(ji)
|
WT(kg)
|
|
SY14C
|
SY14S
|
|
in
|
mm
|
150LB
|
300LB
|
150LB
|
300LB
|
|
SY11C-H10 SY11C-H16 SY11C-H25 SY14C-H40 SY14S-H10 SY14S-H16 SY14S-H25 SY14S-H40
|
|
1/2
|
15
|
100
|
87
|
120
|
ZG3/8m
|
0.00185
|
1.96
|
2.47
|
2.10
|
2.51
|
|
3/4
|
20
|
130
|
105
|
148
|
ZG1/2m
|
0.00281
|
2.25
|
3.35
|
2.29
|
3.40
|
|
1
|
25
|
150
|
114
|
176
|
ZG1/2m
|
0.00343
|
3.05
|
4.19
|
3.10
|
4.25
|
|
1 1/4
|
32
|
160
|
124
|
193
|
ZG1/2m
|
0.00486
|
4.14
|
5.85
|
4.24
|
5.64
|
|
1 1/2
|
40
|
200
|
156
|
237
|
ZG1/2m
|
0.00767
|
6..09
|
8.49
|
6.20
|
8.63
|
|
2
|
50
|
220
|
181
|
270
|
ZG1/2m
|
0.01160
|
8.57
|
11.0
|
9.68
|
11.2
|
|
2 1/2
|
65
|
290
|
259
|
369
|
ZG3/4m
|
0.02111
|
22.7
|
27.7
|
23.6
|
29.0
|
|
3
|
80
|
310
|
293
|
429
|
ZG3/4m
|
0.03029
|
25.2
|
37.6
|
27.8
|
38.2
|
|
4
|
100
|
350
|
324
|
488
|
ZG3/4m
|
0.04033
|
33.7
|
58.0
|
36.7
|
57.2
|
|
5
|
125
|
400
|
390
|
547
|
ZG3/4m
|
0.05589
|
48.1
|
76.4
|
52.1
|
76.6
|
|
6
|
150
|
480
|
448
|
622
|
ZG3/4m
|
0.07709
|
59.7
|
112.1
|
66.8
|
104.4
|
|
8
|
200
|
550
|
535
|
741
|
ZG3/4m
|
0.11967
|
87.3
|
183.2
|
91.2
|
175.6
|
|
公稱(cheng)通徑(jing)DN
|
L
|
H
|
H1
|
WT(kg)
|
|
SY14C-J10 SY14C-J16 SY14C-J25 SY14S-J10 SY14S-J16 SY14S-J25
|
|
15
|
130
|
87
|
120
|
2.7
|
|
20
|
150
|
105
|
150
|
3.1
|
|
25
|
160
|
115
|
176
|
3.8
|
|
32
|
180
|
125
|
193
|
5.5
|
|
40
|
200
|
156
|
237
|
6.6
|
|
50
|
230
|
131
|
270
|
9.4
|
|
65
|
290
|
250
|
370
|
21.6
|
|
80
|
310
|
280
|
430
|
25.1
|
|
100
|
350
|
320
|
488
|
34.2
|
|
125
|
400
|
375
|
547
|
49.1
|
|
150
|
480
|
430
|
622
|
61.3
|
|
200
|
600
|
515
|
741
|
93.3
|
|
250
|
730
|
550
|
880
|
126
|
|
公稱(cheng)通徑(jing)DN
|
L
|
H
|
H1
|
WT(kg)
|
|
SY11C-J10 SY11C-J16 SY11S-J10 SY11S-J16
|
|
15
|
90
|
75
|
100
|
0.8
|
|
20
|
100
|
90
|
130
|
1.2
|
|
25
|
120
|
105
|
150
|
1.4
|
|
32
|
140
|
110
|
165
|
2.1
|
|
40
|
170
|
135
|
205
|
3.1
|
|
50
|
200
|
165
|
245
|
4.0
|
文章(zhang)分頁(ye):
1
|
|
|
|
|
|