|
|
|
|
南京(jing)騰州(zhou)閥😍成人黄色A片🏊🏿♀️門(men)有限(xian)公司(si)
陳建(jian)州 經(jing)理 工(gong)程師(shi)
地址(zhi):南京(jing)市秦(qin)淮區(qu)升州(zhou)路385号(hao)
郵編(bian):210036
電話(hua):025—
手機(ji):
|
|
|
|
|
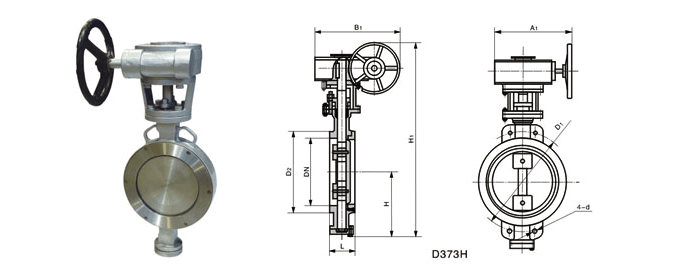
對夾(jia)式硬(ying)密封(feng)蝶閥(fa)
|
|
發表(biao)時間(jian):2011-5-25 文字(zi) 〖 大
中(zhong)
小
〗 閱(yue)讀次(ci)數:5488 [關(guan)閉窗(chuang)口]
|
|
|
|
|
公(gong)稱通(tong)經DN
|
結(jie)構長(zhang)度
(标(biao)準值(zhi))
|
外形(xing)尺寸(cun)(參考(kao)值)
|
連(lian)接尺(chi)寸(标(biao)準值(zhi))
|
|
H
|
D373H
|
D673H
|
D973H
|
PN0.6MPa
|
PN1.0MPa
|
毫米(mi)
mm
|
英寸(cun)
inch
|
L
|
H1
|
A1
|
B1
|
H2
|
A2
|
B2
|
H3
|
A3
|
B3
|
D1
|
Z-D
|
D1
|
Z-D
|
|
50
|
2
|
43
|
112
|
350
|
180
|
200
|
625
|
245
|
72
|
530
|
250
|
255
|
110
|
4-14
|
125
|
4-18
|
|
65
|
2
1/2
|
46
|
115
|
370
|
180
|
200
|
625
|
245
|
72
|
530
|
250
|
255
|
130
|
4-14
|
145
|
4-18
|
|
80
|
3
|
49
|
120
|
380
|
180
|
200
|
645
|
245
|
72
|
565
|
250
|
255
|
150
|
4-18
|
160
|
8-18
|
|
100
|
4
|
56
|
138
|
420
|
180
|
200
|
675
|
355
|
92
|
600
|
250
|
255
|
170
|
4-18
|
180
|
8-18
|
|
125
|
5
|
64
|
164
|
460
|
180
|
200
|
715
|
355
|
92
|
640
|
250
|
255
|
200
|
8-18
|
210
|
8-18
|
|
150
|
6
|
70
|
175
|
555
|
270
|
280
|
800
|
355
|
92
|
705
|
300
|
315
|
225
|
8-18
|
240
|
8-22
|
|
200
|
8
|
71
|
208
|
605
|
270
|
280
|
850
|
250
|
170
|
775
|
300
|
315
|
280
|
8-18
|
295
|
8-22
|
|
250
|
10
|
76
|
243
|
680
|
270
|
280
|
925
|
250
|
170
|
945
|
300
|
315
|
335
|
11-22
|
350
|
11-22
|
|
300
|
12
|
83
|
283
|
800
|
380
|
420
|
1035
|
450
|
220
|
1070
|
300
|
315
|
395
|
11-22
|
400
|
11-22
|
|
350
|
14
|
92
|
310
|
835
|
380
|
420
|
1070
|
450
|
220
|
1140
|
300
|
315
|
445
|
11-22
|
460
|
16-22
|
|
400
|
16
|
102
|
340
|
915
|
450
|
470
|
1190
|
450
|
220
|
1210
|
300
|
315
|
495
|
16-22
|
515
|
16-26
|
|
450
|
18
|
114
|
380
|
960
|
480
|
490
|
1250
|
650
|
280
|
1335
|
575
|
714
|
550
|
16-22
|
565
|
20-26
|
|
500
|
20
|
127
|
410
|
1020
|
480
|
490
|
1290
|
650
|
280
|
1415
|
575
|
714
|
600
|
20-22
|
620
|
20-26
|
|
600
|
24
|
154
|
470
|
1225
|
480
|
490
|
1455
|
850
|
380
|
1605
|
656
|
810
|
705
|
20-26
|
725
|
20-30
|
|
700
|
28
|
165
|
550
|
1355
|
640
|
660
|
1585
|
850
|
380
|
1844
|
656
|
810
|
810
|
24-26
|
840
|
24-30
|
|
800
|
32
|
190
|
640
|
1470
|
640
|
660
|
1700
|
1250
|
380
|
2040
|
656
|
810
|
920
|
24-30
|
950
|
24-33
|
|
900
|
36
|
203
|
710
|
1545
|
750
|
860
|
1965
|
1250
|
380
|
2255
|
785
|
863
|
1020
|
24-30
|
1050
|
28-33
|
|
1000
|
40
|
216
|
770
|
1795
|
850
|
900
|
2015
|
1250
|
380
|
2380
|
785
|
863
|
1120
|
28-30
|
1160
|
28-36
|
|
1200
|
48
|
254
|
890
|
1965
|
850
|
900
|
2250
|
1250
|
380
|
2640
|
785
|
863
|
1340
|
32-33
|
1380
|
32-39
|
|
公稱(cheng)通經(jing)DN
|
結構(gou)長度(du)
(标準(zhun)值)
|
外(wai)形尺(chi)寸(參(can)考值(zhi))
|
連接(jie)尺寸(cun)(标準(zhun)值)
|
|
H
|
D373H
|
D673H
|
D973H
|
PN0.6MPa
|
PN1.0MPa
|
毫(hao)米
mm
|
英(ying)寸
inch
|
L
|
H1
|
A1
|
B1
|
H2
|
A2
|
B2
|
H3
|
A3
|
B3
|
D1
|
Z-D
|
D1
|
Z-D
|
|
50
|
2
|
43
|
112
|
350
|
180
|
200
|
625
|
245
|
72
|
530
|
250
|
255
|
125
|
4-14
|
125
|
4-18
|
|
65
|
2
1/2
|
46
|
115
|
370
|
180
|
200
|
625
|
245
|
72
|
530
|
250
|
255
|
145
|
4-14
|
145
|
8-18
|
|
80
|
3
|
49
|
120
|
380
|
180
|
200
|
645
|
245
|
72
|
565
|
250
|
255
|
160
|
8-18
|
160
|
8-18
|
|
100
|
4
|
56
|
138
|
420
|
180
|
200
|
675
|
355
|
92
|
600
|
250
|
255
|
180
|
8-18
|
190
|
8-22
|
|
125
|
5
|
64
|
164
|
460
|
180
|
200
|
715
|
355
|
92
|
640
|
250
|
255
|
210
|
8-18
|
220
|
8-26
|
|
150
|
6
|
70
|
175
|
555
|
270
|
280
|
800
|
355
|
92
|
705
|
300
|
315
|
240
|
8-22
|
250
|
8-26
|
|
200
|
8
|
71
|
208
|
605
|
270
|
280
|
850
|
250
|
170
|
775
|
300
|
315
|
295
|
11-22
|
310
|
11-22
|
|
250
|
10
|
76
|
243
|
680
|
270
|
280
|
925
|
250
|
170
|
945
|
300
|
315
|
355
|
11-22
|
370
|
11-22
|
|
300
|
12
|
83
|
283
|
825
|
380
|
420
|
1035
|
450
|
220
|
1070
|
300
|
315
|
410
|
11-22
|
430
|
16-30
|
|
350
|
14
|
92
|
310
|
900
|
380
|
420
|
1070
|
450
|
220
|
1140
|
300
|
315
|
470
|
16-26
|
490
|
16-33
|
|
400
|
16
|
102
|
340
|
980
|
450
|
470
|
1190
|
450
|
220
|
1210
|
300
|
315
|
525
|
16-30
|
550
|
16-36
|
|
450
|
18
|
114
|
380
|
1030
|
480
|
490
|
1250
|
650
|
280
|
1335
|
575
|
714
|
585
|
20-30
|
600
|
20-36
|
|
500
|
20
|
127
|
410
|
1105
|
480
|
490
|
1290
|
650
|
280
|
1415
|
575
|
714
|
650
|
20-33
|
660
|
20-36
|
|
600
|
24
|
154
|
470
|
1310
|
480
|
490
|
1455
|
850
|
380
|
1605
|
656
|
810
|
770
|
20-36
|
770
|
20-39
|
|
700
|
28
|
165
|
550
|
1435
|
640
|
660
|
1585
|
850
|
380
|
1844
|
656
|
810
|
840
|
24-36
|
875
|
24-42
|
|
800
|
32
|
190
|
640
|
1605
|
640
|
660
|
1700
|
1250
|
380
|
2040
|
656
|
810
|
950
|
24-39
|
990
|
24-48
|
|
900
|
36
|
203
|
710
|
1745
|
750
|
860
|
1865
|
1250
|
380
|
2255
|
785
|
863
|
1050
|
28-39
|
1090
|
28-48
|
|
1000
|
40
|
216
|
770
|
1885
|
850
|
900
|
2015
|
1250
|
380
|
2380
|
785
|
863
|
1170
|
28-42
|
1210
|
28-56
|
|
1200
|
48
|
254
|
890
|
2105
|
850
|
900
|
2250
|
1250
|
380
|
2640
|
785
|
863
|
1390
|
32-48
|
1420
|
32-56
|
|
公(gong)稱通(tong)經DN
|
結(jie)構長(zhang)度
(标(biao)準值(zhi))
|
外形(xing)尺寸(cun)(參考(kao)值)
|
連(lian)接尺(chi)寸(标(biao)準值(zhi))
|
|
H
|
D373H
|
D673H
|
D973H
|
PN4.0MPa
|
毫米(mi)
mm
|
英寸(cun)
inch
|
L
|
H1
|
A1
|
B1
|
H2
|
A2
|
B2
|
H3
|
A3
|
B3
|
D1
|
Z-D
|
|
50
|
2
|
43
|
112
|
350
|
180
|
200
|
625
|
250
|
170
|
530
|
250
|
255
|
125
|
4-18
|
|
65
|
2
1/2
|
46
|
115
|
370
|
270
|
280
|
625
|
250
|
170
|
530
|
250
|
255
|
145
|
8-18
|
|
80
|
3
|
49
|
120
|
380
|
270
|
280
|
645
|
250
|
170
|
565
|
250
|
255
|
160
|
8-18
|
|
100
|
4
|
56
|
138
|
420
|
270
|
280
|
675
|
250
|
170
|
600
|
250
|
255
|
190
|
8-22
|
|
125
|
5
|
64
|
164
|
460
|
380
|
420
|
715
|
450
|
220
|
640
|
250
|
255
|
220
|
8-26
|
|
150
|
6
|
70
|
175
|
555
|
380
|
420
|
800
|
450
|
220
|
705
|
300
|
315
|
250
|
8-26
|
|
200
|
8
|
71
|
208
|
605
|
450
|
470
|
850
|
450
|
220
|
775
|
300
|
315
|
320
|
11-22
|
|
250
|
10
|
76
|
243
|
680
|
450
|
470
|
925
|
450
|
280
|
945
|
300
|
315
|
385
|
12-33
|
|
300
|
12
|
83
|
283
|
825
|
450
|
470
|
1035
|
650
|
280
|
1070
|
300
|
315
|
450
|
16-33
|
|
350
|
14
|
92
|
310
|
900
|
480
|
490
|
1070
|
650
|
280
|
1140
|
300
|
315
|
510
|
16-36
|
|
400
|
16
|
102
|
340
|
980
|
480
|
490
|
1190
|
650
|
280
|
1210
|
300
|
315
|
585
|
16-39
|
|
450
|
18
|
114
|
380
|
1030
|
640
|
660
|
|
|
|
1335
|
575
|
714
|
610
|
20-39
|
|
500
|
20
|
127
|
410
|
1105
|
640
|
660
|
|
|
|
1415
|
575
|
714
|
670
|
20-42
|
文章(zhang)分頁(ye):
1
|
|
|
|
|
|