欧美大肥婆大肥BBBBB 手動盲闆閥-南京騰州閥門有限公司
·
·
 
 
     防(fang)爆氣動(dong)快速切(qie)斷閥
     盲(mang)闆閥(眼(yan)睛閥)
     蝶(die)閥系列(lie)
     截止閥(fa)系列
     球(qiu)閥系列(lie)
     閘閥系(xi)列
     止回(hui)閥系列(lie)
     過濾器(qi)系列
     調(diao)節閥系(xi)列
     安全(quan)閥系列(lie)
     水力控(kong)制閥系(xi)列
     減壓(ya)閥系列(lie)
     電動二(er)通閥系(xi)列
     柱塞(sai)閥系列(lie)
     電子除(chu)垢儀
     執(zhi)行機構(gou)
     其它閥(fa)系列
🛀🏼欧美大肥婆大肥BBBBB😗 南(nan)京騰州(zhou)閥門有(you)限公司(si)
陳建州(zhou) 經理 工(gong)程師
地(di)址:南京(jing)市秦淮(huai)區升州(zhou)路385号 
郵(you)編:210036 
 郵箱(xiang):
電話:025—
手(shou)機: 
 
産品(pin)展示
當(dang)前位置(zhi):首頁 ->盲(mang)闆閥(眼(yan)睛閥)
手(shou)動盲闆(pan)閥
發表(biao)時間:2011-5-25  文(wen)字 〖 中(zhong) 〗  閱讀(du)次數:8025   [關(guan)閉窗口(kou)]
結構特(te)點及用(yong)途:


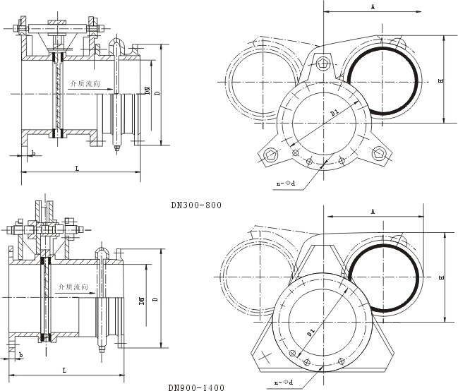
本閥(fa)DN300-800型手動(dong)扇形盲(mang)闆閥爲(wei)長結構(gou)系列。本(ben)閥在右(you)閥體上(shang)設有伸(shen)縮器,一(yi)般用于(yu)較長管(guan)路中。
本(ben)閥的伸(shen)縮器可(ke)以補償(chang)閥門啓(qi)閉時閥(fa)體的軸(zhou)向位移(yi)💁🏼‍♀️,減🧛🏾‍♀️小閥(fa)門的啓(qi)閉力矩(ju)(注:不能(neng)做爲管(guan)路的補(bu)🧑🏽‍❤️‍💋‍🧑🏻償器)
本(ben)閥DN900-1400型手(shou)動扇形(xing)盲闆閥(fa)爲長結(jie)構系列(lie)。本閥設(she)有伸ˇ縮(suo)器,用于(yu)較長管(guan)路中(注(zhu):不能做(zuo)爲管路(lu)的補償(chang)器)。根據(ju)大口徑(jing)閥門的(de)特😥點,閥(fa)體設計(ji)成三角(jiao)形結🔞構(gou),加強了(le)閥門的(de)整體剛(gang)性。

F43CX-(0.5、1.5、2.5)主要(yao)外形及(ji)連接尺(chi)寸表


文(wen)章分頁(ye): 1 
版權所(suo)有:南京(jing)騰州閥(fa)門有限(xian)公司    産(chan)品技術(shu)支持:精(jing)嘉閥門(men)集團有(you)限公司(si)          網站技(ji)術支持(chi):yukamito.cc 京ICP證000000号(hao)
·
 
 
 
  
 
 ·