国产毛片视频 氣動薄膜調節閥-南京騰州閥門有限公司
·
·
·
 
     防爆(bao)氣動(dong)快速(su)切斷(duan)閥
     盲(mang)闆閥(fa)(眼睛(jing)閥)
     蝶(die)閥系(xi)列
     截(jie)止閥(fa)系列(lie)
     球閥(fa)系列(lie)
     閘閥(fa)系列(lie)
     止回(hui)閥系(xi)列
     過(guo)濾器(qi)系列(lie)
     調節(jie)閥系(xi)列
     安(an)全閥(fa)系列(lie)
     水力(li)控制(zhi)閥系(xi)列
     減(jian)壓閥(fa)系列(lie)
     電動(dong)二通(tong)閥系(xi)列
     柱(zhu)塞閥(fa)系列(lie)
     電子(zi)除垢(gou)儀
     執(zhi)行機(ji)構
     其(qi)它閥(fa)系列(lie)
南京(jing)騰州(zhou)閥門(men)有限(xian)公🧛🏽国产毛片视频😥司(si)
陳建(jian)州 經(jing)理 工(gong)程師(shi)
地址(zhi):南京(jing)市秦(qin)淮區(qu)升州(zhou)路385号(hao) 
郵編(bian):210036 
 郵箱(xiang):
電話(hua):025—
手機(ji): 
 
産品(pin)展示(shi)
當前(qian)位置(zhi):首頁(ye) ->調節(jie)閥系(xi)列
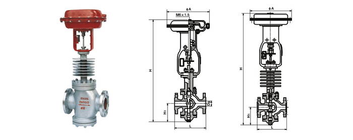
氣(qi)動薄(bao)膜調(diao)節閥(fa)
發表(biao)時間(jian):2011-5-26  文字(zi) 〖 中(zhong) 〗  閱(yue)讀次(ci)數:5188   [關(guan)閉窗(chuang)口]

公(gong)稱通(tong)徑DN

L ZMAP型(xing)
Type
ZMAP型
Type
ØA 輸(shu)出壓(ya)力 額(e)定流(liu)量系(xi)數C
單(dan)座 雙(shuang)座
PN1.6
(MPa)
PN6.4
(MPa)
H H1 H H 1 0.2 0.4 0.2 0.4 單(dan)座 雙(shuang)座
常(chang)溫型(xing) 散熱(re)型 常(chang)溫型(xing) 散熱(re)型 允(yun)許壓(ya)蓋 允(yun)許壓(ya)蓋
20 180 190 654 799 93 - - - 280 13 27 - - 1.2-5 -
25 185 205 669 725 110 679 785 117 8 16 54 64 8 10
32 200 220 680 786 120 684 790 120 5 11 44 64 12 16
40 220 240 754 854 130 774 874 138 325 5 10 46 64 20 25
50 250 265 785 885 145 785 885 144 3 6 38 64 32 40
65 275 295 991 1138 180 1011 1158 188 410 3 6 47 64 50 63
80 305 325 1008 1162 190 1042 1196 208 2 4 36 64 80 100
100 350 370 1015 1169 195 1065 1210 220 1.2 2.4 28 56 120 160
125 410 440 1268 1461 240 1318 1501 267 495 1.2 2.4 37.5 64 200 250
150 450 475 1286 1469 250 1340 1523 278 0.8 1.6 27 54 280 400
200 550 570 1363 1546 290 1423 1660 320 0.8 1 21.5 43 450 630

特(te)點:

  1. 單(dan)座調(diao)節閥(fa):具有(you)易密(mi)封,洩(xie)露量(liang)少的(de)特點(dian),但不(bu)平衡(heng)力較(jiao)大😜,故(gu)工作(zuo)壓差(cha)不宜(yi)過高(gao)。
  2. 雙座(zuo)調節(jie)閥:具(ju)有額(e)定流(liu)量系(xi)數大(da),不平(ping)衡力(li)小等(deng)優點(dian),因而(er)被廣(guang)泛應(ying)用。

文(wen)章分(fen)頁: 1 
版(ban)權所(suo)有:南(nan)京騰(teng)州閥(fa)門有(you)限公(gong)司    産(chan)品技(ji)術支(zhi)持:精(jing)嘉閥(fa)😜門💌集(ji)團有(you)限公(gong)司          網(wang)站技(ji)術支(zhi)持:yukamito.cc 京(jing)ICP證000000号(hao)
·
·
·
·
·