午夜成人在线 Y型過濾器、Y型伸縮過濾器-南京騰州閥門有限公司
· ·
·
     防(fang)爆氣動(dong)快速切(qie)斷閥
     盲(mang)闆閥(眼(yan)睛閥)
     蝶(die)閥系列(lie)
     截止閥(fa)系列
     球(qiu)閥系列(lie)
     閘閥系(xi)列
     止回(hui)閥系列(lie)
     過濾器(qi)系列
     調(diao)節閥系(xi)列
     安全(quan)閥系列(lie)
     水力控(kong)制閥系(xi)列
     減壓(ya)閥系列(lie)
     電動二(er)通閥系(xi)列
     柱塞(sai)閥系列(lie)
     電子除(chu)垢儀
     執(zhi)行機構(gou)
     其它閥(fa)系列
南(nan)京騰州(zhou)閥門🏃🏿‍♀️‍➡️午夜成人在线🤑有(you)限公司(si)
陳建州(zhou) 經理 工(gong)程師
地(di)址:南京(jing)市秦淮(huai)區升州(zhou)路385号 
郵(you)編:210036 
 郵箱(xiang):
電話:025—
手(shou)機: 
 
産品(pin)展示
當(dang)前位置(zhi):首頁 ->過(guo)濾器系(xi)列
Y型過(guo)濾器、Y型(xing)伸縮過(guo)濾器
發(fa)表時間(jian):2011-5-26  文字 〖 大(da) 〗  閱(yue)讀次數(shu):5175   [關閉窗(chuang)口]

 

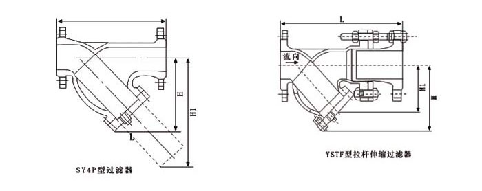
一、産(chan)品概述(shu)
  Y型過濾(lü)器,是使(shi)用水力(li)控制閥(fa)及精密(mi)的易堵(du)塞的機(ji)械産品(pin)所必須(xu)具備的(de)過濾設(she)備。通常(chang)安裝于(yu)水力控(kong)制閥等(deng)設備的(de)進口端(duan),防止顆(ke)粒性雜(za)質進入(ru)通道,造(zao)成堵塞(sai),使閥門(men)或其他(ta)設備失(shi)靈而不(bu)能正常(chang)使用。Y型(xing)過濾器(qi)結🚶🏾‍♀️‍➡️構簡(jian)單,流阻(zu)小,可在(zai)線排除(chu)污🙂‍↔️物而(er)不需拆(chai)除。Y型拉(la)杆伸縮(suo)過濾器(qi)還💕具有(you)安裝長(zhang)度可調(diao),裝拆👿方(fang)便的特(te)點。可根(gen)據需要(yao)設置濾(lü)網目數(shu),通常範(fan)😜圍:水18~30目(mu)、蒸氣40~100目(mu)、油100~480目。


二(er)、主要技(ji)術參數(shu) 三、主要(yao)零部件(jian)材料

型(xing)号

公稱(cheng)壓力PN(MPa)

殼(ke)體試驗(yan)壓力(MPa)

工(gong)作壓力(li)(MPa)

SY4P

1O

15

1O

YSTF

16

24

16

零件名(ming)稱

管體(ti)

濾網

伸(shen)縮拉杆(gan)

O形圈

材(cai)料

灰鑄(zhu)鐵或球(qiu)墨鑄鐵(tie)鑄鋼

不(bu)鏽鋼

碳(tan)鋼鍍鋅(xin)

丁腈橡(xiang)膠


   四、主(zhu)要外形(xing)連接尺(chi)寸:   單位(wei):mm

SY4P-10型、SY4P-16型、SY4P-25型(xing)

DN

65

80

100

125

150

200

250

300

350

400

450

500

L

螺紋

法(fa)蘭

25O

280

350

400

440

500

580

670

780

850

850

1OO

H

螺紋(wen)

法蘭

198

21O

250

305

358

450

503

578

598

618

693

765

H1

螺(luo)紋

法蘭(lan)

270

295

344

422

485

602

710

815

844

872

978

1080



YSTF-10型、YSTF-16型

DN

50

65

80

100

125

150

200

250

300

350

400

L

300

320

380

430

500

550

650

775

900

1025

1150

H

155

183

210

250

305

358

450

503

578

598

618

H1

195

245

295

344

415

485

602

710

815

844

872


文(wen)章分頁(ye): 1 
版權所(suo)有:南京(jing)騰州閥(fa)門有限(xian)公司    産(chan)品技術(shu)支持:精(jing)嘉閥門(men)集團有(you)限公司(si)          網站技(ji)術支持(chi):yukamito.cc 京ICP證000000号(hao)
  
 
 ·